Electrical Schematic Symbols And Definitions
@ P e rk in s
KENR6233-00
August 2006
Failure Mode Identifiers (FMI)¹
Failure Description
Component Identifiers (CID¹)
Engine Control Module
®
FMI No.
Symbols
2
3
4
Erratic, intermittent, or incorrect
Voltage above normal
Voltage below normal
CID
0001
0002
0003
0004
0005
0006
0041
0091
0100
0110
0168
Component
Cylinder #1 Injector
8
9
Abnormal frequency, pulse width, or period
Abnormal. update rate
Other failure mode
Cylinder #2 Injector
T
Cylinder #3 Injector
11
12
13
Pressure
Symbol
Temperature
Symbol
Level
Symbol
Flow
Symbol
Circuit Breaker
Symbol
Failure
Cylinder #4 Injector
Calibration required
Cylinder #5 Injector
Cylinder #6 Injector
¹The FMI is a diagnostic code that indicates what type of failure has occurred.
8 Volt DC Supply
Symbols And Definitions
Throttle Position Sensor
Engine Oil Pressure Sensor
Engine Coolant Temperature Sensor
Electrical System Voltage
Fuse - A component in an electrical circuit that will open the circuit if too much current flows
through it.
0172
0174
Intake Manifold Air Temperature Sensor
Fuel Temperature Sensor
Switch (Normally Open): A switch that will close at a specified point (temp, press, etc.). The
0190
0247
0248
0253
0254
0261
0262
0268
0273
Engine speed Sensor
SAE J.1939 Data Link
Perkins Data Link
circle indicates that the component has screw terminals and a wire can be disconnected from it.
Event Codes
Switch (Normally Closed): A switch that will open at a specified point (temp, press, etc.).
No circle indicates that the wire cannot be disconnected from the component.
Personality Module
Event Code
Condition
Electronic Control Module
E085
E162
Engine Shutdown Overridden
High Boost Pressure
Engine Timing
Ground (Wired): This indicates that the component is connected to a grounded wire. The
grounded wire is fastened to the machine.
5 Volt Sensor DC Power Supply
Programmed Parameter Fault
Turbocharger Outlet Pressure Sensor
Atmospheric Pressure Sensor
Secondary Engine Speed Sensor
Service Tool
E255
E360
E361
E362
E363
E368
Diagnostic Reset
Low Engine Oil Pressure
High Engine Coolant Temperature
Engine Overspeed
0274
0342
0799
1690
Ground (Case): This indicates that the component does not have a wire connected to ground.
It is grounded by being fastened to the machine.
High Fuel Supply Temperature
High Inlet Air Temperature
Throttle #2 Position Sensor
Reed Switch: A switch whose contacts are controlled by a magnet. A magnet closes the
2506-15 Industrial Engine
Electrical System
contacts of a normally open reed switch; it opens the contacts of a normally closed reed switch.
¹ The CID is a diagnostic code that indicates which circuit is faulty.
Sender: A component that is used with a temperature or pressure gauge. The sender
measures the temperature or pressure. Its resistance changes to give an indication to
the gauge of the temperature or pressure.
T
Relay (Magnetic Switch): A relay is an electrical component that is activated by electricity.
It has a coil that makes an electromagnet when current flows through it. The
electromagnet can open or close the switch part of the relay.
MGA
MGB
MGD
Solenoid: A solenoid is an electrical component that is activated by electricity. It has a
coil that makes an electromagnet when current flows through it. The electromagnet
can open or close a valve or move a piece of metal that can do work.
MAGNETIC LATCH SOLENOID - A magnetic latch solenoid is an electrical component that is
activated by electricity and held latched by a permanent magnet. It has two coils (latch and unlatch)
that make electromagnet when current flows through them. It also has an internal switch that places
the latch coil circuit open at the time the coil latches.
Related Electrical Service Manuals
Title
Form Number
Troubleshooting: 2506-15 Industrial Engines
Systems operation/Testing and Adjusting
KENR 6224-00
KENR 6231-00
Harness And Wire Symbols
Wire, Cable, or Harness
Assembly Identification
Component
Part Number
Pin
Socket
Wire Color
Fuse
P
J
105-9344
325-PK
1
2
Receptacle
Single Wire
Connector
Circuit Number
Identification
Plug
200-BK
Ground Connection
Pin or Socket Number
1
2
Typical representation of a Deutsch
connector. The plug contains all
sockets and the receptacle contains
all pins.
1
2
Typical representation of a Sure-Seal
connector. The plug and receptacle
contain both pins and sockets.
Volume 1
Copyright © 2006 Perkins Engines Company Limited
All Rights Reserved
Printed in U.K.
INTAKE MANIFOLD AIR
TEMPERATURE SENSOR
P103
FUEL TEMPERATURE
TURBO OUTLET
PRESSURE SENSOR
SENSOR
P105
(INTAKE MANIFOLD AIR)
P200
INJECTOR HARNESS CONNECTOR
J300
ENGINE COOLANT
TEMPERATURE SENSOR
P100
(CAMSHAFT POSITION)
SECONDARY ENGINE
SPEED/TIMING SENSOR
TIMING/CALIBRATION(TC)
PROBE CONNECTOR
P400
P402
J402
CONNECTOR J1
J401
CONNECTOR P2/J2
P401
ENGINE OIL PRESSURE
SENSOR
J201
ATMOSPHERIC PRESSURE
SENSOR
J203
FRONT VIEW
LEFT SIDE VIEW
(CRANKSHAFT POSITION)
PRIMARY ENGINE SPEED/TIMING SENSOR
This document has been printed from SPI². Not for Resale

![]()
![]()
![]()

![]()
![]()
![]()
![]()
![]()
![]()
![]()
![]()
![]()
![]()
![]()
![]()
![]()
![]()
![]()

![]()
![]()
![]()
![]()
![]()
![]()
![]()





MACHINE HARNESS WITH CUSTOMER INTERFACE CONNECTION
MACHINE HARNESS WITHOUT CUSTOMER INTERFACE CONNECTION
J1
J1 P1
P3
J3
P1
CRANK TERMINATE (ENGINE RUNNING SIGNAL) SEE NOTES:A,B,C AND D
CRANK TERMINATE (ENGINE RUNNING SIGNAL)
SEE NOTES:A,B,C AND D
1
1
2
3
4
(+)5V SHIELD
ANALOGUE GROUND SHIELD
(+)8V SHIELD
GROUND SHIELD
X747-E9 PK-16
11
X747-E9 PK-16
2
125-E29 RD-16
A243-E53 BK-16
167-E23 RD-16
240-E54 BK-16
(+)5V SHIELD
ANALOGUE GROUND SHIELD
(+)8V SHIELD
GROUND SHIELD
125-E29 RD-16
A243-E53 BK-16
167-E23 RD-16
240-E54 BK-16
RELAY
SHUTDOWN
(ECM LATCHED OUT)
RELAY
3
4
5
SHUTDOWN(ECM LATCHED OUT)
5
6
6
J716-E30 GN-16
J716-E31 BU-16
16
5
J716-E30 GN-16
J716-E31 BU-16
J716-E32 PU-16
RAISE SPEED
DATA LINK (+)
DATA LINK (-)
7
K974-E17 OR-16
893-E3 GN-16
892-E4 BR-16
J716-E30 GN-16
ACTION ALERT
WARNING
ACTION ALERT
WARNING
K974-E17 OR-16
893-E3 GN-16
892-E4 BR-16
J716-E30 GN-16
RAISE SPEED
DATA LINK (+)
DATA LINK (-)
SHUTDOWN LAMP OUTPUT
7
8
8
9
J716-E32 PU-16
4
9
SHUTDOWN LAMP OUTPUT
10
11
12
13
14
15
16
17
18
19
20
21
22
23
24
25
26
27
28
29
30
31
32
33
34
35
36
37
38
39
40
41
42
43
44
45
46
47
48
49
50
51
52
53
54
55
56
57
58
59
60
61
62
63
64
65
66
67
68
69
70
10
11
12
DIAGNOSTICS
DIAGNOSTICS
J716-E36 PK-16
J716-E33 OR-16
3
8
J716-E36 PK-16
CRANK TERMINATE OUTPUT
X747-E9 PK-16
LOW OIL PRESSURE
LOW OIL PRESSURE
X747-E9 PK-16
13
14
15
16
17
CRANK TERMINATE OUTPUT
J716-E33 OR-16
J716-E34 BR-16
J716-E35 GY-16
HIGH COOLANT TEMP
OVERSPEED
HIGH COOLANT TEMP
OVERSPEED
BATTERY
24V
BATTERY
24V
J716-E34 BR-16
J716-E35 GY-16
17
9
ANALOGUE SPEED INPUT
DIGITAL GROUND
ACTION ALERT LAMP OUTPUT
WARNING LAMP OUTPUT
F796-E18 WH-16
C241-E55 BK-16
J716-E31 BU-16
J716-E32 PU-16
ANALOGUE SPEED INPUT
18 DIGITAL GROUND
19 ACTION ALERT LAMP OUTPUT
F796-E18 WH-16
C241-E55 BK-16
J716-E31 BU-16
J716-E32 PU-16
OFF-DISABLE-STOP
ON-ENABLE-RUN
INJECTOR-DISABLE
INJECTOR-DISABLE
OFF-DISABLE-STOP
ON-ENABLE-RUN
T794-E19 BU-16
N755-E20 PK-16
34
T794-E19 BU-16
N755-E20 PK-16
ON
ON
20 WARNING LAMP OUTPUT
21
22
23
CRITICAL OVERRIDE
(DISABLE OIL AND WATER SHUTDOWN WHEN ON)
CRITICAL OVERRIDE
35
25
OFF
ALTERNATOR
ALTERNATOR
OFF
(DISABLE OIL AND WATER SHUTDOWN WHEN ON)
STARTING
MOTOR
24
STARTING
MOTOR
1500/1800 RPM SELECT
1800
J1 P1
1500
1800
1500/1800 RPM SELECT
DROOP/ISOCHRONOUS
FAULT RESET
1500
25
L913-E40 BR-16
E722-E38 GY-16
N715-E37 YL-16
L913-E40 BR-16
26
DROOP/ISOCHRONOUS
ISOCH
DROOP
27
ISOCH
DROOP
OIL PRESSURE LAMP OUTPUT
COOLANT TEMPERATURE LAMP OUTPUT
J716-E33 OR-16
J716-E34 BR-16
J716-E35 GY-16
J716-E36 PK-16
26
18
E722-E38 GY-16
N715-E37 YL-16
J716-E33 OR-16
J716-E34 BR-16
J716-E35 GY-16
J716-E36 PK-16
28 OIL PRESSURE LAMP OUTPUT
29 COOLANT TEMPERATURE LAMP OUTPUT
FAULT RESET
OVERSPEED LAMP OUTPUT
30
31
32
33
34
35
36
37
38
39
40
41
42
43
44
45
46
47
OVERSPEED LAMP OUTPUT
DIAGNOSTIC LAMP OUTPUT
DIAGNOSTIC LAMP OUTPUT
ENABLE
DIGITAL SPEED CONTROL
DIGITAL SPEED CONTROL
ENABLE
DISABLE
E706-E39 GN-16
K973-E42 PU-16
E706-E39 GN-16
2
J1939 DATA (-)
K990-E5 GN-16
DISABLE
K990-E5 GN-16
J1939 DATA (-)
START
BUTTON
DIGITAL
SPEED
CONTROL
DIGITAL
SPEED
CONTROL
START
BUTTON
LOWER SPEED
RAISE SPEED
LOWER SPEED
RAISE SPEED
K973-E42 PU-16
K974-E17 OR-16
29
K974-E17 OR-16
C241-E55 BK-16
28
12
27
22
C241-E55 BK-16
229-56 BK-14
240-E54 BK-16
Y712-E21 WH-16
167-E23 RD-16
CIRCUIT
BREAKER
(16A)
CIRCUIT
BREAKER
(16A)
229-56 BK-14
240-E54 BK-16
Y712-E21 WH-16
167-E23 RD-16
FAULT RESET
J1939 SCREEN
N715-E37 YL-16
A234-E1 BK
N715-E37 YL-16
A234-E1 BK
FAULT RESET
J1939 SCREEN
GROUND
PWM
+8V
TO PWM SPEED GROUND
CONTROL
PWM SPEED
CONTROL
PWM
+8V
36
21
23
ST
B
B
ST
ON
680R
680R
ON
S
C
680R
680R
DROOP ISOCHRONOUS
E722-E38 GY-16
A243-E53 BK-16
F796-E18 WH-16
125-E29 RD-16
5K ANALOGUE SPEED SETTING
POTENTIOMETER OR INPUT
FROM LOAD SHARE/SYNCHRONISER
S
C
5K ANALOGUE SPEED SETTING
POTENTIOMETER OR INPUT
FROM LOAD SHARE/SYNCHRONISER
A243-E53 BK-16
F796-E18 WH-16
E722-E38 GY-16
DROOP ISOCHRONOUS
20
24
19
OFF
OFF
+BATTERY (UNSWITCHED)
DIGITAL SPEED CONTROL ENABLE
J1939 DATA (+)
150-E16 RD-14
E706-E39 GN-16
K900-E2 YL
R
125-E29 RD-16
150-E16 RD-14
E706-E39 GN-16
K900-E2 YL
48 +BATTERY (UNSWITCHED)
49 DIGITAL SPEED CONTROL ENABLE
50 J1939 DATA (+)
51
52 +BATTERY (UNSWITCHED)
53 +BATTERY (UNSWITCHED)
54
+BATTERY (UNSWITCHED)
56 1500/1800 RPM SELECT
R
229-E59 BK-14
229-E57 BK-14
229-E59 BK-14
229-E57 BK-14
229-E58 BK-14
150-E16 RD-14
150-E46 RD-14
150-E47 RD-14
120-E6 YL-14
K900-E2 YL
K990-E5 GN-16
A234-E1 BK
38
39
40
KEYSTART
SWITCH
KEYSTART
SWITCH
+BATTERY (UNSWITCHED)
+BATTERY (UNSWITCHED)
150-E46 RD-14
150-E47 RD-14
229-E58 BK-14
150-E16 RD-14
150-E46 RD-14
150-E47 RD-14
120-E6 YL-14
150-E46 RD-14
150-E47 RD-14
15
33
SEE NOTE:E
SEE NOTE:E
+BATTERY (UNSWITCHED)
1500/1800 RPM SELECT
150-E48 RD-14
L913-E40 BR-16
1
150-E48 RD-14
L913-E40 BR-16
55
10
31
32
13
J1939 DATA
LINK
K900-E2 YL-16
K990-E5 GN-16
893-E3 GN-16
892-E4 BR-16
57
58
LOWER SPEED
K973-E42 PU-16
K973-E42 PU-16
59 LOWER SPEED
893-E3 GN-16
892-E4 BR-16
7
6
60
DATA LINK
UNSWITCHED BATTERY (-)
INJECTOR DISABLE
UNSWITCHED BATTERY (-)
SHUTDOWN EMERGENCY OVERRIDE
UNSWITCHED BATTERY (-)
PWM INPUT SHIELD
229-E59 BK-14
T794-E19 BU-16
229-E57 BK-14
N755-E20 PK-16
229-E58 BK-14
Y712-E21 WH-16
229-56 BK-14
229-E59 BK-14
T794-E19 BU-16
229-E57 BK-14
N755-E20 PK-16
229-E58 BK-14
Y712-E21 WH-16
229-56 BK-14
61 UNSWITCHED BATTERY (-)
62 INJECTOR DISABLE
63 UNSWITCHED BATTERY (-)
64 SHUTDOWN EMERGENCY OVERRIDE
65 UNSWITCHED BATTERY (-)
PWM INPUT SHIELD
-BATTERY UNSWITCHED SHIELD
A234-E1 BK
EMERGENCY
STOP
EMERGENCY
STOP
TWISTED PAIRS
TWISTED PAIRS
150-E48 RD-14
150-E48 RD-14
System overview
229-E60 BK-14
SEE NOTE:F
229-E60 BK-14
SEE NOTE:F
66
67
68
69
-BATTERY UNSWITCHED SHIELD
-BATTERY UNSWITCHED
+BATTERY (SWITCHED)
229-E60 BK-14
120-E6 YL-14
A
(+)BATTERY
(+)BATTERY
(-)BATTERY
J1939 SHIELD
DATA LINK(+)
DATA LINK(-)
J1939(-)
A
B
C
D
E
F
G
H
J
229-E60 BK-14
120-E6 YL-14
-BATTERY UNSWITCHED
70 +BATTERY (SWITCHED)
B (-)BATTERY
C J1939 SHIELD
D DATA LINK(+)
E DATA LINK(-)
F J1939(-)
G J1939(+)
H
T301 T302 T303 T304 T305 T306
P300
ELECTRONIC CONTROL MODULE (ECM)
J300
ELECTRONIC CONTROL MODULE (ECM)
J1939(+)
ECM CONNECTION P3 CONNECTION ECM CONNECTION P3 CONNECTION
J
13 CONNECTS TO
11
16
5
66CONNECTS TO
36
21
9 PIN DATA LINK
CONNECTOR
9 PIN DATA LINK
CONNECTOR
10
19
4
3
23
20
24
20
31
28
4
17
2
P2
3
P1
8
61
19
38
29
30
62
64
56
17
9
63
65
48
52
53
70
50
34
42
8
39
40
15
34
35
25
26
18
P300
33
1
46
41
49
J402
10
2
31
32
59
7
29
28
12
27
22
7
6
A
B
J300
T306
18
67
5
9
T301
T302
T303
T304
T305
J2
55
69
P402
J400
J203
J200
J200
ECM
GROUND
STRAP
ECM
MOUNTING
BOLT
J201
J103
P2
K-S1
P401
J103
J400
1
2
994-K10 GY-18
995-K11 BU-18
F421-K12 BU-18
C967-K13 BU-18
G833-K7 PK-18
G833-K36 PK-18
G833-K37 PK-18
G833-K38 PK-18
1
3
J100
J105
4
5
J401
6
E963-K23 BK-18
E964-K22 WH-18
E965-K27 BU-18
E966-K26 YL-18
G828-K1 OR-18
G829-K2 BR-18
G833-K7 PK-18
G856-K8 BL-18
G857-K9 YL-18
K-S2
G828-K30 OR-18
G828-K29 OR-18
G828-K31 OR-18
7
G828-K1 OR-18
G829-K2 BL-18
8
1
9
10
11
12
G829-K34 BL-18
G829-K33 BL-18
G829-K32 BL-18
G829-K35 BL-18
K-S3
ENGINE COOLANT TEMPERATURE 13
995-K11 BU-18
1
J100
J2
14
P400
P100
INTAKE MANIFOLD AIR PRESSURE 15
R746-K18 BL-18
G829-K2 BR-18
16
R746-K18 BL-18
R747-K5 BU-18
PRESSURE SENSOR RETURN 17
G856-K8 BL-18
G857-K9 YL-18
1
2
TIMING CALIBRATION(TC)
PROBE CONNECTOR
18
19
20
994-K10 GY-18
995-K11 BU-18
C967-K13 BU-18
21
22
23
ENGINE COOLANT
TEMPERATURE SENSOR
995-K11 BU-18
G833-K36 PK-18
1
2
SIGNAL
RETURN
TWISTED PAIR
24
PRIMARY ENGINE SPEED/TIMING (-)
TIMING CALIBRATION (TC) PROBE (+) 26
25
E963-K23 BK-18
G856-K8 BL-18
E963-K23 BK-18
E964-K22 WH-18
E965-K27 BU-18
E966-K26 YL-18
F421-K12 BU-18
G856-K8 BL-18
G857-K9 YL-18
P402
J402
1
10
27
ENGINE OIL PRESSURE 28
994-K10 GY-18
G833-K7 PK-18
P103
J201
29
1
10
J105
TEMPERATURE SENSOR RETURN 30
INTAKE MANIFOLD AIR
TEMPERATURE SENSOR
11
33
22
31
C967-K13 BU-18
G833-K38 PK-18
1
2
SIGNAL
RETURN
J203
32
R746-K18 BL-18
R747-K5 BU-18
44
J401
33
34
PRIMARY ENGINE SPEED/TIMING (+) 35
TIMING CALIBRATION (TC) PROBE (-) 36
37
53
61
60
68
E964-K22 WH-18
G857-K9 YL-18
(CAMSHAFT POSITION)
SECONDARY ENGINE SPEED/TIMING SENSOR
J402
P402
TIMING SENSOR CONNECTOR P401 AND P402
38
E965-K27 BU-18
E966-K26 YL-18
1
2
BK-18
WH-18
SIGNAL-
SIGNAL+
77
88
111
120
P401
39
40
INNER INJECTOR HARNESS P300
99
110
41
111
120
42
(CRANKSHAFT POSITION)
PRIMARY ENGINE SPEED/TIMING SENSOR
> PEI <
43
J401
P401
10 11 12
RED
7
8
9
44
45
E963-K23 BK-18
E964-K22 WH-18
1
BK-18
WH-18
SIGNAL-
SIGNAL+
SECONDARY ENGINE SPEED/TIMING (+) 46
E966-K26 YL-18
E965-K27 BU-18
2
Harness side
6
5
4
3
2
1
SECONDARY ENGINE SPEED/TIMING (-) 47
1
10
48
49
P200
J203
50
1
NOTES:
OUTER INJECTOR HARNESS J300
COOLANT FUEL & INTAKE TEMP P100 P103
& P105
TURBO OUTLET
PRESSURE SENSOR
(INTAKE MANIFOLD AIR)
51
22
11
33
52
G828-K30 OR-18
G829-K34 BL-18
R746-K18 BL-18
1
2
3
OR-18
YL-18
GN-18
+5 VOLTS
RETURN
SIGNAL
53
A OUTPUT MAY BE USED TO DRIVE
LAMPS OR RELAYS.
44
7
6
8
5
9 10 11 12
54
55
INTAKE MANIFOLD AIR TEMPERATURE 56
C967-K13 BU-18
R747-K5 BU-18
60
68
53
61
RED
ATMOSPHERIC PRESSURE 57
58
59
G828-K31 OR-18
G829-K32 BL-18
R747-K5 BU-18
1
2
3
OR-18
YL-18
GN-18
+5 VOLTS ATMOSPHERIC PRESSURE
SENSOR
B CRANK TERMINATE SHOULD BE A
RELAY USED TO DISCONNECT THE
STARTER MOTOR IN OEM PANEL
START CIRCUIT.
4 3 2 1
88
77
99
111
60
RETURN
SIGNAL
120
61
FUEL TEMPERATURE 62
F421-K12 BU-18
110
120
111
63
64
65
66
67
68
69
70
71
J201
ATMOS J203
OIL & INTAKE PRESSURE J201 AND J200
G828-K29 OR-18
G829-K33 BL-18
994-K10 GY-18
1
2
3
OR-18
YL-18
GN-18
+5 VOLTS
RETURN
SIGNAL
ENGINE OIL PRESSURE
SENSOR
C DIAGNOSTIC LAMP LIGHTS WHEN
ACTIVE SYSTEM FAULT REGISTERED
ECM side
RED
GRAY
PRESSURE SENSOR SUPPLY +5V
72
73
74
75
76
77
78
79
80
81
82
83
84
85
86
87
88
89
90
91
92
93
94
95
96
97
98
G828-K1 OR-18
F421-K12 BU-18
G829-K35 GN-18
P105
D FOR FULL DETAILS OF INPUT/OUTPUT
REFER TO INSTALLATION MANUAL.
3
2
1
3
2
1
J401
J402
INJECTOR HARNESS
CONNECTOR P300
FUEL TEMPERATURE
SENSOR
P401
CRANKSHAFT POSITION SENSOR
F421-K12 BU-18
G829-k35 GN-18
1
2
SIGNAL
RETURN
E MAIN BATTERY FEED DIRECT FROM
STARTER/BATTERY CONNECTS TO
J1/61, J1/63, J1/65, J1/48 J1/52
AND J1/53.
TIMING CALIBRATION PROBE J400
TIMING CALIBRATION PROBE P400
NO.1
CYLINDER
INJECTOR
T858-EJ13 BK-16-NW
T957-EJ1 RD-16-NW
P402
CAMSHAFT POSITION SENSOR
INLET MANIFOLD
J103
TEMPERATURE SENSOR
1
2
2
1
F POWER SUPPLY TO SERVICE TOOL
CONNECTS TO J1/55 AND J1/69.
INJECTOR
HARNESS
NO.2
CYLINDER
INJECTOR
T858-EJ14 BK-16-NW
T958-EJ2 PK-16-NW
CONNECTOR
J300
P300
INTAKE MANIFOLD
PRESSURE SENSOR
J200
NO.3
CYLINDER
INJECTOR
T957-K20 RD-16-HV
T959-K17 WH-16-HV
T961-K16 PU-16-HV
1
2
T957-EJ1 RD-16-NW
T959-EJ3 WH-16-NW
T961-EJ5 PU-16-NW
T859-EJ16 BK-16-NW
T959-EJ3 WH-16-NW
WIRE GROUP COLOR DESCRIPTION
JACK OR PLUG
J103
CONNECTOR
3
INLET MANIFOLD TEMPERATURE CONNECTOR
COOLANT TEMPERATURE CONNECTOR
OIL PRESSURE CONNECTOR
4
(+) BATTERY
T858-K15 BK-16-HV
T860-K14 BK-16-HV
T859-K21 BK-16-HV
5
T858-EJ7 BK-16-NW
T860-EJ9 BK-16-NW
T859-EJ8 BK-16-NW
J100
J201
(+) BATTERY SWITCHED
STARTING CIRCUIT
6
7
EJ-S1
ENGINE COOLANT
INJECTOR 5&6 HIGH 99
100
T860-K14 BK-16-HV
J100
8
T858-EJ7 BK-16-NW
1
T858-EJ13 BK-16-NW
T858-EJ14 BK-16-NW
TEMPERATURE SENSOR
J200
J105
J203
INLET MANIFOLD PRESSURE CONNECTOR
FUEL TEMPERATURE CONNECTOR
TIMING
CALIBRATION
(TC) PROBE
(-) BATTERY / SENSOR RETURN
9
101
T962-K25 GY-16-HV
T960-K24 GN-16-HV
T958-K19 PK-16-HV
10
11
12
T962-EJ6 GY-16-NW
T960-EJ4 GN-16-NW
T958-EJ2 PK-16-NW
SENSOR / ACTUATOR SUPPLY
SIGNAL PLUS TO ECM
102
103
INJECTOR 1&2 HIGH 104
INJECTOR 6 LOW 105
ATMOSPHERIC PRESSURE CONNECTOR
S02
S03
CONNECTOR
EJ-S3
EJ-S2
T858-K15 BK-16-HV
T962-K25 GY-16-HV
T959-K17 WH-16-HV
T961-K16 PU-16-HV
T960-K24 GN-16-HV
1
T860-EJ9 BK-16-NW
T859-EJ8 BK-16-NW
T860-EJ18 BK-16-NW
T860-EJ17 BK-16-NW
SIGNAL MINUS TO ECM
J401
J402
J300
P401 CRANKSHAFT POSITION CONNECTOR
P402 CAMSHAFT POSITION CONNECTOR
EXTERNAL CONNECTOR FOR THE INJECTORS HARNESS
P300 INTERNAL CONNECTOR FOR THE INJECTORS HARNESS
NO.4
CYLINDER
INJECTOR
P400
INJECTOR 3 LOW
INJECTOR 5 LOW
106
T859-EJ15 BK-16-NW
T960-EJ4 GN-16-NW
CONTROL PLUS FROM ECM
107
INJECTOR 4 LOW 108
T859-EJ15 BK-16-NW
T859-EJ16 BK-16-NW
1
CONTROL MINUS FROM ECM
DATA LINK
S01
109
110
NO.5
CYLINDER
INJECTOR
J400
P400
TIMING CALIBRATION PROBE CONNECTOR
111
T957-EJ1 RD-16-NW
T959-EJ3 WH-16-NW
T958-EJ2 PK-16-NW
T960-EJ4 GN-16-NW
T961-EJ5 PU-16-NW
T962-EJ6 GY-16-NW
T860-EJ17 BK-16-NW
T961-EJ5 PU-16-NW
J1939 DATA LINK
112
ATMOSPHERIC PRESSURE
J203
RS-232/RS-485 DATA LINK
113
114
INJECTOR 3&4 HIGH 115
INJECTOR 1 LOW 116
117
9
8
7
6
3
2
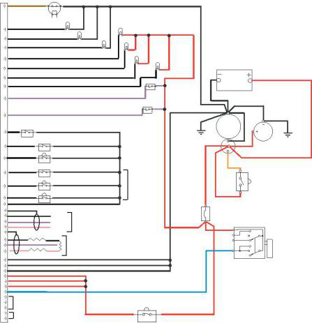
This schematic is for the 2506-15 Industrial Engine.
Wiring diagram CH11949.
T859-K21 BK-16-HV
T957-K20 RD-16-HV
NO.6
CYLINDER
INJECTOR
FUEL TEMPERATURE
J105
20 19 18 17
30 29 28
42 41 40 39
50 49
14
13
T860-EJ18 BK-16-NW
T962-EJ6 GY-16-NW
26 25 24
36
48 47 46
35
ENGINE OIL PRESSURE
J201
60
59 58 57
56 55 54 53
45
68
76677566746573
726471637062
6961
INJECTOR 2 LOW 118
T958-K19 PK-16-HV
88
98879786968595849483
829381928091799078
8977
110
109 108 107 106 105
104 103 102 101 100 99
120
119 118 117 116
115 114 113 112
111
119
120
ELECTRONIC CONTROL
This document has been printed from SPI². Not for Resale
![]()
![]()













![]()
