柴油發電機組與UPS的匹配
1、網絡數據中心、數據交換中心、金融結算中心、重要系統調度中心等關鍵部門的設備都需要不間斷的電源供電,都需要配套UPS。
2、通常供電模式采用:一路市電供電+柴油發電機組備用+UPS。
3、重要供電模式采用:兩路市電供電+柴油發電機組備用+UPS。
主要是由于整流器產生的電流諧波對供電系統產生的不良影響:
1、對發電機組的電壓調節器的影響
2、對UPS的同步電路的影響
1.發電機組的輸出電壓突然增高到440V以上,造成UPS損壞。
2.發電機組輸出頻率到50~60Hz,致使UPS保護動作。
3.發電機組出現嚴重的機械共振現象,紹興柴油發電機維修保養,越城柴油發電機維修保養,新昌柴油發電機維修保養,諸暨柴油發電機維修保養,上虞柴油發電機維修保養,嵊州柴油發電機維修保養,柴油機出現有節奏的搖擺和聲音起伏,嚴重會損壞發電機的勵磁回路和AVR
4.UPS檢測到過電壓或過頻率而自動關斷整流器,由后備電池組逆變向負載供電,反復出現油機+蓄電池逆變切換供電。
上述現象的原因都有哪些呢?下面介紹一下負載性質!
1、負載的分類(根據負載的特性):
1)線性負載
2)非線性負載。
1、 線性負載:
1)電壓和電流之間是線性關系的負載,如果發電機的電壓是正弦波,通 過負載的電流也是正弦波,如圖所示。
2)常見的線性負載有加熱器、白熾照明燈、變壓器、直接啟動或傳統降 壓啟動方式的電動機等。
3)線性負載根據電壓和電流的相位關系又分為電阻性(如電阻、電爐 、 白幟燈等)、電感性(如感應電動機、變壓器等)、電容性(如電容器等)負載。
1、 非線性負載:
1)電壓和電流之間是非線性關系的負載,存在基波(50或60 Hz)和諧波(3 次、 5次,、7次、11次等奇次諧波)存在不同的幅值和相位畸變波形。如后附圖。
2)在負載投入、運行過程中,電壓、電流的關系是經常變化的,其波形也不是我們常說的正弦交流波,而是含有不光滑的畸變成分,根據數學的方法可分解為基波和一系列的高次諧波,主要是3次、5次、7次、11次等奇次諧波


脈沖非線性負載產生的諧波類型及電流諧波
圖表中可以看到:
1、四脈沖系統產生諧波有:3、5、7、9、11、 13、15、17、19次
2、六脈沖系統產生諧波有:5、7、11、13、17、19次。
3、 十二脈沖系統產生諧波有:11、13次
** 諧波電流比例% (p.u) : 1/3rd, 1/5th, 1/7th, 1/9th
**總諧波畸變=諧波電流方根總數
**對應的總的畸變諧波THD分別為:45%---30%---14%
**十二脈沖的UPS諧波危害最小
1、機組的輸出功率選擇。柴油發電機組在60%以上額定負載的情況下工作對柴油發電機較為有利。
2、在考慮發電機總負荷中的UPS負載部分,需考慮的主要因素有:UPS功率,電池充電功率,UPS整機效率,UPS的輸入整流方式,UPS整流器引起的輸入電流失真等,都需適當增加發電機的功率;
3、UPS的整流器對于頻率漂移更為敏感,這也需增大發電機功率。一般選擇發電機功率和UPS功率都有一定的系數



1、柴油發電機組工作方式的選擇。對于非線性負載,兩沖程柴油發電機組帶載能力優于四沖程柴油發電機組。
1、同步發電機永磁勵磁結構的說明
1、UPS輸入整流方式的選擇。非線性負載會向發電機組反射大量的高次諧波,尤以5次、7次、11次諧波對發電機的危害性嚴重。
2、不同非線性負載對柴油發電機組輸出電壓失真度(THD)都有不同的影響程度。
3、以200kVA機組為例
柴油發電機組控制系統
柴油發電機原理
簡而言之,就是柴油機驅動發電機運轉。
在汽缸內,經過空氣濾清器過濾后的潔凈空氣與噴油嘴噴射出的高壓霧化柴油 充分混合,在活塞上行的擠壓下,體積縮小,溫度迅速升高,達到柴油的燃點。柴油被點燃,混合氣體劇烈燃燒,體積迅速膨脹,推動活塞下行,稱為‘作功’。各汽缸按一定順序依次作功,作用在活塞上的推力經過連桿變成了推動曲軸轉動的力量,從而帶動曲軸旋轉。
將交流或直流發電機與柴油機曲軸同軸安裝,就可以利用柴油機的旋轉帶動發電機的轉子,利用‘電磁感應’原理,發電機就會輸出感應電動勢,經閉合的負載回路就能產生電流。
這里只描述發電機組最基本的工作原理。要想得到可使用的、穩定的電力輸出,還需要一系列的柴油機和發電機控制、保護器件和回路。
發電機的勵磁系統
一、相復勵勵磁
二、三次諧波
三、可控硅直接勵磁
四、無刷勵磁
柴油發電機組控制系統的組成
主回路開關
速度調節器
電壓調節器
測量回路
保護回路
同期控制
電力監視
二次操作回路
穩壓電源
主回路開關
長延時脫扣:發電機額定電流110~115%
短延時:發電機額定電流200%~300%
瞬時脫扣:1000%~1700%
一臺發電機時只設置長延時和短延時
二臺發電機時只設置長延時和短延時
三臺發電機時只設置長延時和短延時、瞬時
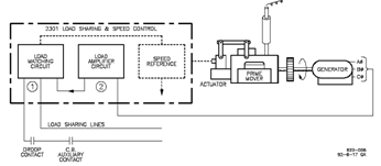
速度調節器
在不同負載情況下,柴油機電子調速器將保持柴油機的轉速穩定于1000RPM(或1500RPM),從而保持發電機輸出50Hz的恒定頻率。 WOODWARD 2301A電子調速器,它具有功能全、反應快、精度高、穩定性好、功耗低、調整方便等一系列優點。其基本結構包括數/模轉換電路;調節放大電路、負荷分配電路、輸出電路及穩壓電源等環節。
柴油機轉速控制指標
頻率穩態調整率 0—5%(可調)
頻率瞬態調整率 ±5%
頻率波動率 0.5%
頻率穩定時間 3S
速度調節器
通過調節油門大小控制速度

2301A速度調節和負荷分配模塊外形

2301A速度調節和負荷分配模塊主要參數及功能
電源:20V~24V
負載信號:90–240 Vac 3ø 45–66 Hz 3ø 電流
速度傳感器:100~300歐姆,1~30Vac
速度調整范圍:0~10%
同步輸入: ±5Vdc
負載分配:0~6Vdc
速度輸出信號:7.5 Vdc max for 0 to 214 mA
速度降:0~10%
怠速:55%額定轉速
加速時間:0–10 s
負載增益:最大6Vdc ,5 A 電流
2301A速度調節和負荷分配模塊端子圖
速度控制系統圖
怠速(Low Idle Speed)
快速性(Actuator Compensation)
增益電位器(Gain)
額定轉速電位器(Rated Speed)
初始燃油限制電位器(Start Fuel Limit)
升速時間電位器(Ramp Time)
穩定性(Reset)電位器

負荷分配系統圖
調差電位器(Droop)
負載增益電位器(Load Gain)

2301A速度調節和負荷分配模塊接線圖
負荷分配接線示意

電壓調節器要求
提供發電機空載勵磁。當負荷發生變化時,發電機勵磁調節單元將對發電機的勵磁電流進行控制,以保證發電機輸出電壓的穩定及整個發電機組無功功率的均衡分配。該單元包括PID調節器、功放電路、電壓及無功測量電路、無功均衡電路組成。
交流發電機電壓控制指標
電壓穩態調整率 ±2.5%
電壓調整范圍 ±20%
電壓波動率 0.5%
電壓穩定時間 1.5S
響應時間 20mS

DECS-100電壓調節器
主要參數及功能
電源:88V-250Vac,單相或三相,50-400Hz
建壓電壓:>6V
負載信號:100–600Vac,單相或三相
電流檢測:5Aac,50/60Hz,單相
勵磁輸出:63Vdc,7Adc,最大135Vdc,15Adc
并列補償:無功降落和無工差動(橫流)
磁場過壓保護
磁場過電流保護
發電機過壓保護
軟起動功能
報警和跳閘輸出
RS232接口
DECS-100電壓調節器接線圖

發電機并聯運行的條件
待并機組與運行機組(或電網)的電壓相等
待并機組與運行機組(或電網)的頻率數值相等
待并機組電壓的初始相位與運行機組(或電網)電壓的初始相位一致
待并機組相序與運行機組(或電網)相序相同
同期柜功能
用于實現柴油發電機組的并網條件的檢測和并網控制。同期控制柜內包括同期控制單元、切換裝置、接地
檢查單元、相序保護單元、功率限制單元、及穩壓電源。
實現的控制指標如下:
使用頻率表及選擇開關來讀發電機頻率同步波形和同步指示燈發電機選擇器和發電機斷路器閉合按鈕
不需調節頻率和電壓,同步模塊可自動調節頻率和電壓,可以防止誤操作
同期原理及方案
實現控制指標的原理及方案如下:
?。?、同期控制單元
為了避免誤操作造成發電機組對電網或電網對發電機組的沖擊,防止發電機組在并網時出現故障,在同期控制中采取了雙重保護措施,斷路器選用欠壓脫扣方式,在同期閉鎖繼電器控制的基礎上增加一個電子同期閉鎖裝置,以確保并網合閘瞬間完全在滿足并網的條件下進行,否則合閘操作無效(例如同步指示燈變化還較快,或相位差偏大時)。
2、相序保護單元
相序保護單元用來防止主電網相序出錯。當檢測電網為反相序情況時,保護單元立即發出故障信號,以避免電源相序接反而引起的各種事故。
?。?、功率限制單元
功率限制單元由kW(有功)限制控制電路和kVA(無功)限制控制電路兩部分組成。
kW(有功)限制控制電路采用或門形式綜合來自每臺發電機組提供的有功超功率檢測信號,當某臺發電機出現KW數超限時,相應的比較電路發出指令,由記憶電路加以記憶并通過繼電器發出封鎖信號。
kVA(無功)限制控制電路也采用或門形式綜合來自每臺發電機組提供的無功超功率檢測信號,當某臺發電機出現kVA數超限時,相應的比較電路發出指令,由記憶電路加以記憶并通過繼電器發出封鎖信號。
?。?、接地檢測單元
接地檢測單元采用高阻抗接地檢測電路,對三相600V、380V母線及各個整流柜輸出的正負直流母線的接地情況進行檢測,并通過相應的信號燈顯示出接地故障
同步模塊外形圖

同步模塊主要參數及功能
額定頻率50Hz~60Hz
輸入電壓:115 V±10%或115V ±10%
相角偏置:0~±10°
電壓匹配:1%或5%
功率:5W
電壓匹配
速度匹配
斷路器閉合信號
同步模塊系統塊圖

同步模塊端子圖
測量回路和電力監視
測量變壓器
電流互感器
電力儀表(多功能保護繼電器)
交直流接地檢測
發電機回路的保護
目的:
防止發電機過載損傷
切除發電機和發電機故障
發電機斷路器和饋電用保護裝置進行選擇切除動作,并迅速切除匯流故障
發電機并聯運行時,防止原動機損傷
內容:
發電機過載保護
發電機短路保護
發電機逆功率保護
發電機欠電壓保護
自動卸載
發電機保護整定值
過電流:依據發電機的額定電流值進行整定
過電壓:約690V
欠電壓:約530V
過 頻:54HZ
欠 頻:46HZ
逆功率:-7%
逆序保護
柴油發電機組其他保護功能
水溫高保護
低油壓保護
有功功率限制電路,防止柴油機過載
無功功率限制電路,防止發電機過載
穩壓電源
整流變壓器
充電電路
蓄電池
電源分配電路
IFC5系列發電機勵磁電路
柴油發電機組銷售 柴油發動機銷售 柴油發電機維修 柴油發動機維修 船舶動力設備銷售維修服務寧波日興動力科技有限公司 重康船舶設備有限公司承接:康明斯 珀金斯 依維柯 大宇 富豪 三菱 奔馳 卡特 強鹿等進口及國產機組特約維修、保養服務。公司可與客戶簽訂長期維保協議,提供專業、優質、省心的一條龍服務。
主要維修內容(由于各款發電機組性能及使用狀況差異,所列標準僅供參考,應視具體情況來操作)
小故障檢修:對于機組小故障,針對故障現象,進行專業的檢測和維修。
小修:(使用時間:3000-4000小時)
1、檢查柴油發電機組氣門,柴油發電機組氣門座等磨損程度,必要時進行柴油發電機組修理或更換;
2、檢查柴油發電機組PT泵,噴油器的工作狀況,必要時進行修理、調校;
3、檢查、調整柴油發電機組連桿及各緊固螺絲的扭力矩;
4、檢查、調整柴油發電機組氣門間隙;
5、調整柴油發電機組的噴油器行程;
6、檢查調整風扇充電機皮帶的張緊度;
7、清洗進氣支管的積炭;
8、清洗中冷器芯;
9、清洗整個柴油發電機組機油潤滑系統;
10、清洗搖臂室、油底殼的油泥及金屬鐵屑。
中修:(使用時間:6000-8000小時)
1、含柴油發電機組小修項目;
2、分解發動機(除曲軸外);
3、檢查缸套、活塞、活塞環、進排氣門、等曲柄連桿機構、配氣機構、潤滑系統、冷卻系統的易損零件,必要時更換;
4、檢查柴油發電機組燃料供給系統,調校油泵油咀;
5、發電機電球修理檢測,清凈油污沉積物,潤滑電球軸承。
大修:(使用時間:9000-15000小時)
1、含柴油發電機組中修項目;
2、解體全部柴油發電機組的發動機;
3、更換氣缸體、活塞、活塞環、大小軸瓦、曲軸止推墊、進排氣門、全套發動機大修包;
4、調校油泵、噴油器、更換泵芯、噴油頭;
5、更換柴油發電機組的增壓器大修包、水泵修理包;
6、校正連桿、曲軸、機體等部件,必要時修復或更換。
7、電機定子,轉子除塵。
8、檢測定子,轉子線圈各項絕緣特性。
9、檢測,恢復發動機控制線路。
10、檢測發動機高水溫、低油壓保護功能,對損壞件予以更換。
11、檢測控制面板各儀表,啟動開關。
服務承諾:
經我公司維修的所有型號的發電機組可保用期一年或2000小時。保用期內機組如發生故障,所有的修理費,零配件由我公司承擔。公司將以滿足用戶的需求為宗旨,長期為用戶提供純正的備品備件、技術咨詢,機組改造及人員的培訓。接到用戶反饋的質量問題后,在24小時內作出答復或派出售后服務人員,盡快到達現場,做到用戶不滿意服務不停止。
服務體系:
一、售前服務
專業工程師為用戶提供售前的技術咨詢和規劃配套指導,解答用戶在使用過程中遇到的疑難問題和提供相關的技術指導;對于備用電力的建站方式選擇,機組容量的選定,配電設備,投建標準等,我們會選派具備多年從業經驗的工程技術人員進行實地考察,給予客戶清晰明確的建議與指導,并開列具備契約書性質的可行性方案、費用明細、驗收標準等,力圖讓用戶買的放心,用得省心。
二、售中服務
我公司保證機組交付使用后每兩個月巡回用戶一次,考查機組使用情況,評估機組品質提出使用保養建議。集成的客戶處理系統,通過強大的數據庫支持和自動生成報告來精確地進行產品跟蹤,提供最佳售后服務網點和的靈活的配送機制。
另外我們所有對外公布的聯絡方式都可以直接指向產品的后續服務,解除用戶的后顧之憂。
紹興柴油發電機維修,紹興進口發電機維修,紹興柴油發電機維修保養,紹興燃氣發電機維修保養,紹興康明斯電噴發動機維修,紹興康明斯發電機維修保養,紹興珀金斯發電機維修保養,紹興威爾信發電機維修保養,紹興大宇發電機維修保養,紹興日本三菱發電機維修保養,紹興奔馳MTU發電機維修保養,紹興卡特彼勒CAT發電機維修保養,紹興大宇發電機維修,紹興沃爾沃發電機維修,紹興日本三菱發電機維修,紹興奔馳MTU發電機維修,紹興卡特彼勒發電機維修,紹興奧林匹亞發電機維修,紹興勞斯萊斯發電機維修,紹興重慶康明斯維修,紹興美國康明斯維修,紹興康明斯維修,紹興進口康明斯維修,紹興重慶康明斯發動機維修,紹興美國康明斯發動機維修,紹興利萊森瑪發電機維修,紹興斯坦福發電機維修,紹興馬拉松發電機維修,紹興西門子發電機維修,紹興MAN 曼發電機維修,紹興奧林匹亞發電機維修,紹興哪里有修發電機,紹興發電機維修哪家好,紹興柴油發電機維修,紹興進口發電機維修,紹興柴油發電機維修保養,紹興燃氣發電機維修保養,紹興康明斯電噴發動機維修,紹興康明斯發電機維修保養,紹興珀金斯發電機維修保養,紹興威爾信發電機維修保養,紹興大宇發電機維修保養,紹興日本三菱發電機維修保養,紹興奔馳MTU發電機維修保養,紹興卡特彼勒CAT發電機維修保養,紹興大宇發電機維修,紹興沃爾沃發電機維修,紹興日本三菱發電機維修,紹興奔馳MTU發電機維修,紹興卡特彼勒發電機維修,紹興奧林匹亞發電機維修,紹興勞斯萊斯發電機維修,紹興重慶康明斯維修,紹興美國康明斯維修,紹興康明斯維修,紹興進口康明斯維修,紹興重慶康明斯發動機維修,紹興美國康明斯發動機維修,紹興利萊森瑪發電機維修,紹興斯坦福發電機維修,紹興馬拉松發電機維修,紹興西門子發電機維修,紹興MAN 曼發電機維修,紹興奧林匹亞發電機維修